产品介绍

适用范围:用于低低速且保压性能高的液压缸中。如起重机的垂直油缸、工业和行走设备中的压力机、驱动油缸等
技术数据
压力:≤25MPa
速度:最大往复速度0.5 m/s
温度: -30°C ~ + 110°C
介质:适用于石油基液压油、难燃液压液、环保安全液压液(生物油)、水和其它,决定于密封圈材料
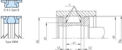
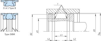
作用
三个密封唇都位于外径上。两个外端密封唇作均附加性密封'中间密封唇是较宽的,并且是主密封唇。在密封圈的内径处(静密封).与沟槽底径的接触面是比较宽的。在每边安放一个挡圈对弹性体进行支承并防止其挤出。这种有台阶的挡圈可防止密封件在运行时产生旋转。